Connexion Générateur externe

Sommaire  Précédent  Suivant

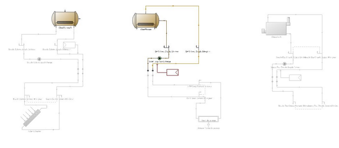
Dans 2 cas spécifiques, vous avez la possibilité de spécifier si le chauffe-eau sélectionné est connecté à un chauffe-eau externe. Deux connexions apparaîtront alors sur le chauffe-eau comme le montre la figure ci-dessous.

 

       RTCVCECSconnex

 

En précisant que le chauffe-eau sélectionné présente une "connexion générateur chaleur externe", vous devrez raccorder ce chauffe-eau à :

 

a) un deuxième chauffe-eau, situé sur une distribution différente (une deuxième distribution ECS ou une distribution solaire).

Dans ce cas, vous devez vous trouver au niveau de la sous-boucle de production de ce même chauffe-eau, afin de le connecter aux autres chauffe-eau disponible(les chauffe-eau sur lesquels il n'est pas possible de se connecter apparaîtront en grisé et la manipulation suivante ne pourra être effectué sur ces éléments grisés. Pour effectuer les connexions qu'il est possible de faire, vous devrez cliquer sur "Connecter composants" RTCVCconnect, et ainsi relier les deux chauffe-eau.

RTCVCECSconnexS

b) ou au réseau de distribution d'eau chaude. Dans ce cas, vous devrez vous trouver au niveau de la sous-boucle de demande de la distribution d'eau chaude. Vous pourrez ainsi en cliquant sur "Connecter composants" RTCVCconnect, relier votre réseau d'eau chaude au chauffe-eau.

       RTCVCECSconnexG