Données de plenum

Sommaire  Précédent  Suivant

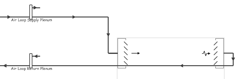
Les plénums de soufflage et d'extraction sont des composants CVC du même type que les diviseurs et les mixeurs, à la différence qu'ils peuvent être associés à une zone, utilisée comme un plénum.

image95

L'unique champ à remplir pour un plénum CVC est le nom de la zone associée.

Nom de la zone

Si aucune zone n'a été allouée au plénum, cliquez sur le bouton affichant les points de suspension, situé en regard de la mention <Sélectionner zone> pour afficher une commande de sélection de zone.

Seules les zones qui n'ont pas déjà été associées à des groupes de zones ou d'autres plénums sont sélectionnables.