CESCI / CESCAI

Sommaire  Précédent  Suivant

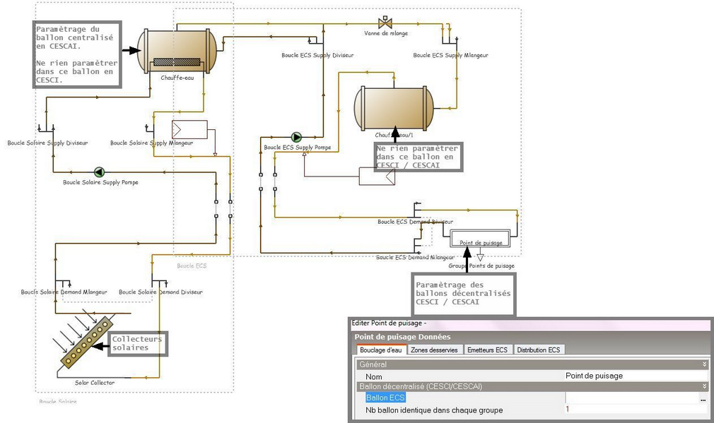
Dans le cas spécifique d'une boucle solaire de type CESCI ou CESCAI, des éléments supplémentaires sont à paramétrer.

 

Ce type de production est modélisé par :

Une boucle solaire :
Partie production, en mode CESCAI vous devrez paramétrer dans le chauffe-eau le ballon solaire centralisé. Aucun ballon ne sera pris en compte par DesignBuilder en mode CESCI.
La partie demande sera composée de l'ensemble des collecteurs solaires.
Une boucle ECS :
Partie production, aucun ballon ne sera à spécifier dans le Chauffe-eau de la boucle ECS.
Partie demande, vous spécifierez l'ensemble des points de puisages. Les ballons décentralisés seront définis dans le point de puisage.

 

Note importante : Le même ballon sera dupliqué pour l'ensemble des zones cochées dans le point de puisage (onglet zones desservies). Donc si vous précisez un Nombre de ballon identique dans chaque groupe différent de 1, ce nombre sera appliqué à chaque zone ayant un émetteur ECS.

 

RTCVCCESCI2        

Pré paramétrage d'un CESCI CESCAI        

 

Pour paramétrer un CESCI ou un CESCAI, il faut, au niveau de la boucle ECS, indiquer le type de production de l'eau chaude sanitaire à 3-CESCI ou 4-CESCAI.

 

Des données seront à paramétrer au niveau de la boucle ECS et au niveau de la boucle solaire :

La boucle ECS comprendra l'onglet Génération ainsi que celui de la distribution intergroupe.

 

Remarque : Dans le cas d'un CESCI, seules les données de la génération seront à remplir, car aucune distribution intergroupe n'est nécessaire pour ce type de production. Par contre dans le cas d'un CESCAI, un onglet distribution intergroupe apparaîtra afin de spécifier ces paramètres.

 

La boucle solaire comprendra un unique onglet des paramètres de la boucle solaire.

 

Paramétrage des ballons décentralisés en CESCI CESCAI

Pour paramétrer les ballons décentralisés lorsque votre schéma de production correspond à un CESCI ou un CESCAI, vous devez :

vous situer au niveau du point de puisage correspondant
éditer le point de puisage
au niveau du champ Ballon ECS, cliquer sur les points de suspensions
créer un nouveau ballon dans la catégorie Ballon Solaire
éditer ce ballon
indiquez le type de stockage à 1-Appoint integré
renseigner toutes les données affichées dans les 2 onglets