Distribution d'ECS

Sommaire  Précédent  Suivant

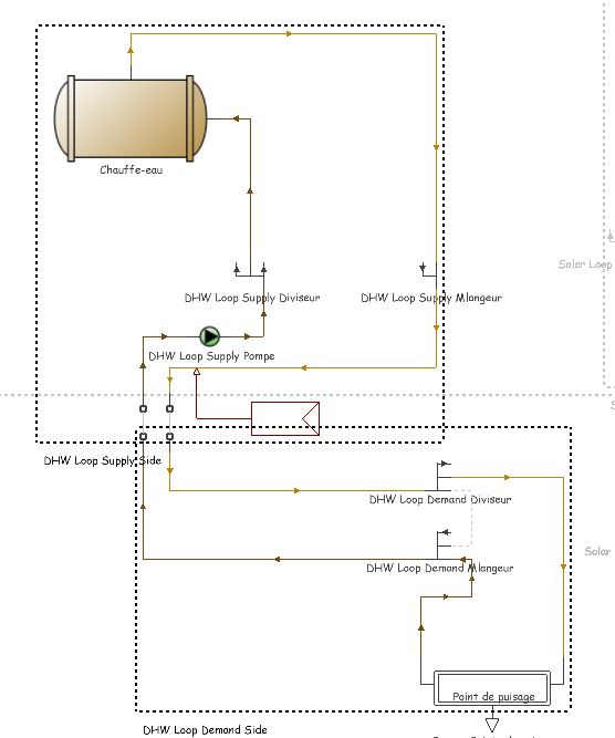
Identiquement aux autres distributions, les boucles ECS sont divisées en deux sous boucles :

- Sous-boucle de production, où se trouve le(s) générateur(s) pour toutes les distributions.

- Sous-boucle de demande, qui permet :

d'ajouter des groupes de points de puisage,
de se connecter à des émetteurs de chauffage.

       RTCVCboucleECS

L'ajout d'une boucle d'ECS s'effectue comme présenté dans les Données <Système CVC>.

 

Remarque : Deux niveaux de distributions sont présents au sens de la RT. Un premier niveau de distribution de groupe et un deuxième niveau de distribution intergroupe.
Les données de distribution de groupe sont définies au niveau du point de puisage, alors que les données de la distribution intergroupe sont présents au niveau de la boucle d'ECS.

 

Boucle ECS

En éditant les données de la boucle ECS, vous aurez la possibilité de spécifier les caractéristiques de production et de distribution intergroupe.

       RTCVCdistribECS

Général

Cet onglet vous permet de spécifier le type de production d'eau chaude sanitaire (avec ou sans stockage, centralisée ou décentralisée,...).

 

Remarque 1 : Les types de production CESCI, CESCAI et SSC ne sont disponibles dans la liste seulement si la boucle ECS est connectée à une boucle solaire.
                 Le type de production décentralisé n'est pas disponible lorsqu'une boucle ECS est connectée à une boucle solaire.

 

Remarque 2 : Dans les cas spécifiques d'une production ECS solaire (or CESCI CESCAI et SSC) directement reliée aux puisages (c'est à dire sans distribution intergroupe), il faut paramétrer le type de production sur 2-Production et stockage centralisé, et cochez dans l'onglet Distribution Intergroupe, la case "Sans distribution Intergroupe ECS".

Génération

De même que pour les distributions d'eau, une génération comprend l’ensemble des générateurs fournissant conjointement de l’énergie pour un ou plusieurs usages.

Distribution intergroupe

Ce niveau de distribution permet de déterminer si le réseau intergroupe est bouclé ou tracé.

 

Cas d'un émetteur chaud connecté à une boucle ECS

Un émetteur chaud peut être connecté à une boucle ECS, de la même manière qu'à une distribution d'eau.

DesignBuilder détecte automatiquement si une boucle ECS possède une connexion vers un émetteur de chauffage. Un onglet supplémentaire s'affichera ou non au niveau de la distribution d'ECS si la connexion des composants est faite.

Dans ce cas spécifique, une fois que la connexion entre l'émetteur de chauffage et la distribution d'ECS sera faite, vous devrez impérativement éditer les données de la boucle ECS, afin de paramétrer les données de la distribution intergroupe de chauffage.

 

       RTCVCECSCH2

 

Remarque : Une fiche d'application est disponible pour les bâtiments non équipés d'eau chaude sanitaire.