Etude de cas sur la pompe à chaleur géothermique

Sommaire  Précédent  Suivant

Créez un modèle de bâtiment, puis suivez les étapes indiquées ci-dessous pour définir un système de pompe à chaleur géothermique pourvu de forages verticaux et dédié à l’approvisionnement en chauffage via des sols chauffants et en refroidissement via des poutres froides.

1. Exécutez le calcul de conception de chauffage de DesignBuilder, obtenez la charge maximale de chauffage.

GSHPCaseStudy1

Ici, la charge maximale de chauffage est de 85 kW.

2. Exécutez le calcul de conception de refroidissement de DesignBuilder, obtenez la charge maximale de refroidissement.

GSHPCaseStudy2

Dans ce cas, de manière purement fortuite, la charge maximale de refroidissement est également de 85 kW.

3. Créez un système CVC Détaillé de modèle de pompe à chaleur géothermique.

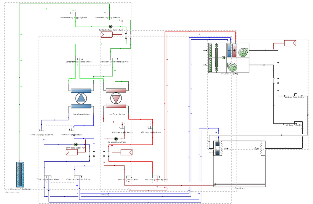
Le schéma de disposition ci-dessous représente une application type de chauffage et de refroidissement. Les données ont été chargées de la prédéfinition CVC PAC géothermique - Plancher chauffant et poutres froides, mais il est également possible de définir un schéma personnalisé de ce type de bout en bout, qui sera le cas échéant adapté à votre configuration spécifique.

GSHPCaseStudy3

4. Définissez les données des composants de chauffage de la pompe à chaleur.

Chargez un modèle approprié de pompe à chaleur prédéfini à l’aide des données de puissance nominale de chauffage de pompe à chaleur pour établir une correspondance avec la pompe à chaleur présentant la charge de conception de chauffage calculée lors de l’étape 1. L’exemple ci-dessous représente une pompe à chaleur présentant une puissance de 104,6 kW qui a été sélectionnée pour fournir la charge de chauffage maximale de 85 kW, ce qui laisse un certain volume de puissance inutilisée.

Sinon, vous pouvez créer vos propres coefficients de puissance de chauffage et de puissance de compresseur de chauffage en les associant aux débits nominaux, à la puissance de chauffage nominale et à la consommation nominale de chauffage indiqués dans les données du catalogue.

Notez que le débit nominal côté charge de la pompe à chaleur sélectionnée est de 0,00442 m3/s.

GSHPCaseStudy4

5. Définissez les données des composants de refroidissement de la pompe à chaleur.

Chargez un modèle approprié de pompe à chaleur prédéfini à l’aide des données de puissance nominale de refroidissement de pompe à chaleur pour établir une correspondance avec la pompe à chaleur présentant la charge de conception de refroidissement calculée lors de l’étape 2. L’exemple ci-dessous représente une pompe à chaleur présentant une puissance de 102 kW qui a été sélectionnée pour fournir la charge de refroidissement maximale de 85 kW, ce qui laisse un certain volume de puissance inutilisée.

Sinon, vous pouvez créer vos propres coefficients de puissance de refroidissement et de puissance de compresseur de refroidissement en les associant aux débits nominaux, à la puissance de chauffage nominale et à la consommation nominale de refroidissement indiqués dans les données du catalogue.

Notez que le débit nominal côté charge de la pompe à chaleur sélectionnée est de 0,00442 m3/s.

GSHPCaseStudy5

6. Définissez les données de léchangeur de chaleur géothermique.

Ouvrez la boîte de dialogue associée à l’échangeur de chaleur géothermique et utilisez le tableau de dimensionnement rapide pour choisir la prédéfinition à utiliser. En accroissant les charges de conception de chauffage et de refroidissement de 85 à 90 kW, vous constatez que 40 forages sont nécessaires à cette modulation de combinaison de charges.

Modifiez les valeurs de débit en conception et de débit maximal sur 0.00884, ce qui correspond à la somme des deux valeurs 0.00442 + 0.00442, respectivement associées aux composants de chauffage et de refroidissement de la pompe à chaleur. Reportez-vous aux étapes 4 et 5. Si vous avez utilisé vos propres données de chauffage/refroidissement générées à partir des données de catalogue, nous vous recommandons de modifier en conséquence cette valeur de débit.

GSHPCaseStudy6

7. Définissez le débit de la boucle condenseur.

Remplacez la valeur d’autodimensionnement du débit maximal de la boucle par 0.00884, valeur supérieure ou identique au débit de l’échangeur de chaleur géothermique, dérivé dans l’étape 6.

Remarque importante : vous ne pouvez pas définir lautodimensionnement pour les condenseurs raccordés aux pompes à chaleur géothermiques.

GSHPCaseStudy7

8. Activez la source interne du plancher sur terre-plein afin dappliquer le système de chauffage par le sol.

Modifiez les constructions de planchers sur terre-plein, les planchers internes et les planchers externes auxquelles s’applique le chauffage par le sol de manière à garantir l’équipement d’une source interne.

Pour garantir un transfert de chaleur optimal entre les conduites d’eau chaude intégrées vers la zone occupée de la pièce, veillez à ce que la surface la plus interne (la surface supérieure) de la construction présente une épaisseur relativement faible. Ici, préférez l’utilisation de sol en bois ou de carrelage à bonne conductivité thermique à celle d’un matériau plus isolant, comme la moquette.

Dans l’onglet Source interne, sélectionnez l’option Source interne et affectez la position de la source interne au sein des couches de construction. La couche de la source interne est habituellement positionnée un niveau sous la couche supérieure (la plus interne).

GSHPCaseStudy8

9. Exécutez la simulation et consultez les résultats.

(1) Résultats de la modélisation d’été :

GSHPCaseStudy9a

Durant les heures d’occupation quotidiennes en été, la température ambiante de la pièce était régulée sur une valeur de 24 °C (température de consigne de refroidissement égale à 24 °C).

(2) Résultats de la modélisation d’hiver :

GSHPCaseStudy9b

Durant les heures d’occupation quotidiennes en hiver, la température ambiante de la pièce était régulée sur une valeur de 23 °C (température de consigne de chauffage égale à 22 °C).