Boucle générateur d'eau glacée primaire/secondaire

Sommaire  Précédent  Suivant

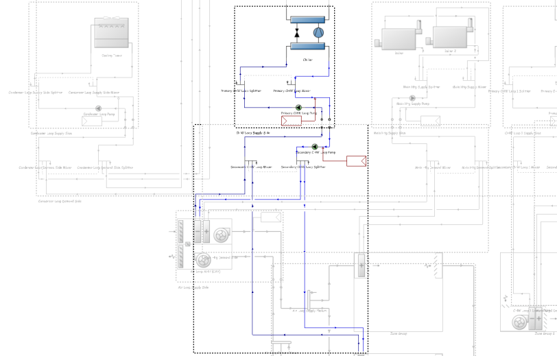
La boucle générateur d'eau glacée primaire/secondaire utilise le mécanisme Mode de simulation réseau classique (common pipe) d'EnergyPlus pour représenter un circuit d'eau glacée constitué de sous-boucles à pompe primaire et secondaire. La sous-boucle primaire est équipée d'un groupe froid, d'un diviseur de flux, d'un mélangeur de flux et d'une pompe de circulation.

Par défaut, le groupe froid comporte un condenseur refroidi par eau et des connexions permettant de relier ce dernier à une boucle condenseur.

La sous-boucle primaire comprend également un gestionnaire de consigne à température planifiée, qui est prédéfini pour contrôler la température de sortie à 6 °C.

La sous-boucle secondaire est équipée d'un gestionnaire de consigne à température planifiée, qui est prédéfini pour contrôler la température d'entrée à 6 °C, mais le planning définissant cette température peut être remplacé par toute autre solution alternative requise. La sous-boucle secondaire intègre également un diviseur et un mélangeur de flux afin de pouvoir la connecter aux composants du générateur de froid.

 

 

0300000B_812x519