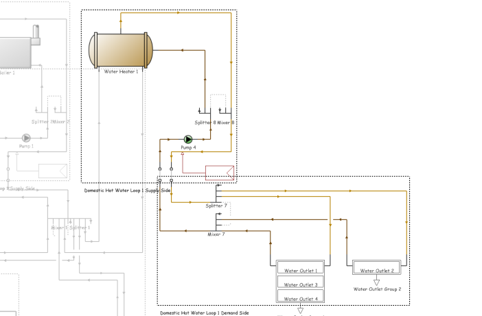
Boucle générateur d'eau chaude sanitaire

Sommaire  Précédent  Suivant

La sous-boucle de production d'une boucle générateur d'eau chaude sanitaire (ECS) est équipée d'un chauffe-eau, d'un diviseur de flux, d'un mélangeur de flux et d'une pompe de circulation.

Elle comprend également un gestionnaire de consigne à température planifiée, qui est pré défini pour contrôler la température en sortie du générateur à 55 °C.

La sous-boucle de demande intègre un diviseur et un mélangeur de flux afin de pouvoir la connecter aux points de puisage d'eau chaude.

 

0300000C_702x461