Boucle générateur d'eau glacée

Sommaire  Précédent  Suivant

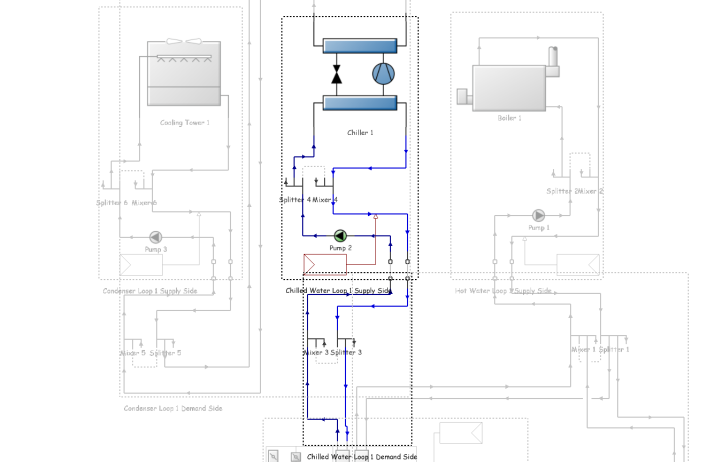
La sous-boucle de production d'une boucle générateur d'eau glacée est équipée d'un groupe froid, d'un diviseur de flux, d'un mélangeur de flux et d'une pompe de circulation.

Par défaut, le groupe froid comporte un condenseur refroidi par eau et des connexions permettant de relier ce dernier à une boucle condenseur.

Elle comprend également un gestionnaire de consigne à température planifiée, qui est pré défini pour contrôler la température en sortie du générateur à 6 °C.

La sous-boucle de demande intègre un diviseur et un mélangeur de flux afin de pouvoir la connecter aux composants du générateur de froid. L'image ci-dessous montre une boucle d'eau chaude connectée à une batterie froide.

 

0300000A_707x462