Présentation des groupes de zones

Sommaire  Précédent  Suivant

Les groupes de zones simplifient les schémas CVC en regroupant plusieurs zones dont les équipements CVC présentent des configurations identiques mais pas forcément les mêmes caractéristiques nominales.

Par conséquent, il suffit d'ajouter un seul jeu d'équipements au groupe et de définir un seul jeu de connexions entre les distributions d'air/boucles générateur et les équipements du groupe de zones.

Imaginons un modèle de bâtiment dans lequel cinq zones en RdC doivent être refroidies et ventilées à l'aide d'un régulateur de débit d'air en VAV sans réchauffage assuré par une CTA et où les zones doivent être chauffées à l'aide de radiateurs alimentés par le même circuit de chauffage. Un seul groupe de zones permet d'intégrer les équipements des cinq zones dans le schéma CVC.

Il est possible de placer un groupe de zones et de le modifier pour y inclure les zones de RdC.

0300000E_602x366

Une fois les zones ajoutées, le groupe de zones devient actif et vous pouvez naviguer dedans soit en double-cliquant sur le graphique dans l'écran d'édition soit en le sélectionnant dans le navigateur.

Au niveau du groupe de zones, toutes les zones ajoutées au groupe sont visibles :

0300000F_602x356

Vous pouvez ensuite naviguer jusqu'à l'une de ces zones pour y ajouter les équipements requis :

03000010_602x333

 

Lorsque vous revenez au niveau du groupe de zones, vous remarquez que les équipements de la zone sont automatiquement ajoutés à toutes les zones du groupe :

03000011_601x347

 

Vous pouvez ensuite naviguer jusqu'aux équipements d'une zone quelconque pour modifier leurs paramètres par défaut :

03000012_602x324

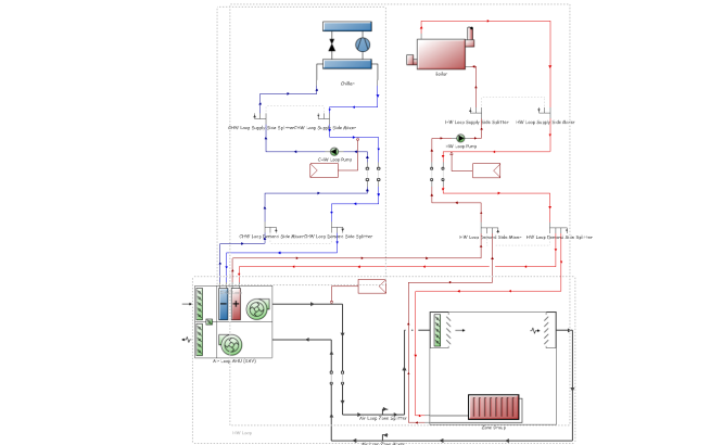
Au niveau du système, un seul jeu de connexions est nécessaire pour connecter les équipements de toutes les zones aux distributions d'air et aux boucles générateur:

03000013_666x410

 

Lorsque les données sont enregistrées dans le fichier IDF avant la simulation, toutes les zones concernées, leurs équipements et les connexions de ces derniers sont consignés séparément.