Boucle Solaire et chauffage auxiliaire

Sommaire  Précédent  Suivant

Un système de chauffage solaire peut être dessiné en utilisant la boucle solaire, qui est composée de panneaux solaires, pompes, ballon(s) de stockage et chauffe-eau. Les panneaux solaires sont connectés sur la partie demande de la boucle. Ils peuvent être connectés en séries ou en parallèle. La partie production de la boucle solaire contient un chauffe-eau, une pompe de circulation et un gestionnaire de consigne pour réguler la boucle. Une boucle solaire peut être connectée directement à une boucle d'eau chaude sanitaire en supprimant d'abord le chauffe-eau côté production de la boucle ECS et ensuite de connecter le chauffe-eau solaire aux diviseur et mélangeur côté production de la boucle ECS.

 

SolarLoop1

 

Dans le but de réaliser des économies d'énergie avec un système de chauffage solaire, il est préférable d'utiliser un système à 2 ballons avec un ballon de stockage et un chauffe-eau auxiliaire. Le ballon de stockage accumule la chaleur directement des panneaux solaires et la stocke pour plus tard. Le chauffe-eau auxiliaire est positionné en aval du ballon de stockage sur la partie production de la boucle d'ECS. Le chauffe-eau auxiliaire, apporte de la chaleur supplémentaire si le ballon de stockage n'est pas suffisant. Le chauffe-eau auxiliaire peut être modélisé comme un chauffe-eau instantané ou comme un chauffe-eau standard avec une source de chauffage (voir Composant Chauffe-eau) :

SolarLoop2

 

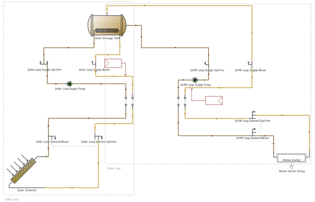
Une autre stratégie pour constituer un système de chauffage solaire est d'autoriser le ballon de stockage à atteindre une température plus grande que nécessaire pour l'utilisation finale. Ceci permet au ballon de stocker plus d'énergie provenant des panneaux solaires, lorsqu'elle est disponible. Toutefois, pour des applications d'eau chaude sanitaire, il n'est pas souhaitable et dangereux de produire de l'eau chaude à une température excessive, d'un point de vue de la demande. Pour n'avoir que l'avantage de ce stockage à haute température, et empêcher des brûlures aux températures maximales, l'eau chaude sortant du ballon de stockage peut être mélangée à de l'eau froide en utilisant une vanne 3 voies (vanne de mélange) pour atteindre la température voulue. Une boucle de chauffage supplémentaire d'ECS auxiliaire est fournie par DesignBuilder, qui intègre ce composant. Une boucle solaire avec chauffe-eau peut être directement connectée aux mélangeur et diviseur côté production d'une boucle de chauffage auxiliaire :

SolarLoop3

 

Un autre arrangement de boucle solaire, similaire à celui ci-dessus mais avec une boucle d'eau chaude pour assurer l'appoint :

SolarHWHeatedFloor

 

Cette disposition des composants et boucles, modélisent un système solaire type avec 2 ballons : un ballon solaire avec de l'eau circulant à haute température et un ballon auxiliaire, contenant l'eau à une température pouvant être utilisée directement pour le chauffage ou l'ECS.

Plus d'information sur comment configurer et réguler les boucles solaires et chauffage auxiliaire sont disponibles sur la page d'aide de l'eau chaude solaire.

hmtoggle_arrow1Pourquoi les panneaux solaires se situent sur le côté demande de la boucle ?

Le côté demande constitue la demande de la boucle et non un composant ayant une demande en chaud ou en froid. C'est à dire que la demande est créée par le besoin de satisfaire la consigne à la sortie de la sous-boucle de production. En d'autres termes, plus la température de sortie du chauffe-eau diminue en dessous de la consigne, plus les panneaux solaires ont une demande en chaud.