CVC détaillé

Sommaire  Précédent  Suivant

Cette section décrit l'interface graphique de DesignBuilder, qui permet d'assembler des modèles de système CVC que vous pouvez combiner à des modèles de bâtiment pour simuler la consommation d'énergie avec EnergyPlus.

detailedhvac

Présentation

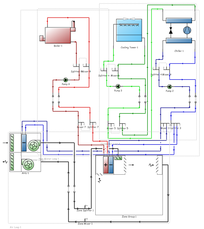
Pour assembler des modèles de système CVC dans DesignBuilder, vous devez placer un certain nombre de boucles d'eau et de distributions d'air pré définies dans des groupes de zones qui sont ensuite reliés pour former des systèmes complets.

Ces distributions d'air et boucles d'eau comprennent des composants CVC qui sont reliés par des tuyaux ou des conduits pour former des systèmes de distribution.Il est possible de modifier ces boucles en leur ajoutant des composants requis et en connectant ceux-ci à des composants d'autres boucles ou à des équipements de chauffage, de refroidissement et de ventilation situés dans d'autres zones pour former des systèmes complets.

Les zones placées font partie de groupes de zones qui, comme leur nom l'indique, regroupent plusieurs zones dont les équipements CVC présentent des configurations identiques, mais pas forcément les mêmes caractéristiques nominales. Ce mécanisme de groupe de zones simplifie considérablement l'assemblage schématique de CVC car il suffit de définir un seul jeu d'équipements et de connexions pour l'ensemble du groupe. De plus, les propriétés des équipements restent modifiables dans chaque zone du groupe.

Les boucles prédéfinies sont dotées d'un gestionnaire de consigne qui leur permet de fonctionner sans contrôle supplémentaire. Cependant, il est possible d'ajouter d'autres gestionnaires de consigne aux différentes boucles pour personnaliser le contrôle du système.

Les données associées à l'ensemble des boucles, zones et composants associés sont modifiables dans des boîtes de dialogue en fonction de la configuration requise du système.

Après avoir placé, les boucles, les groupes de zones et les gestionnaires de consigne, puis relié les boucles aux équipements associés, il est possible de faire une simulation EnergyPlus sur le système CVC et le bâtiment.

 

Accéder au CVC Détaillé

Pour passer en mode CVC Détaillé, vous devez d'abord sélectionner l'option CVC Détaillé sous l'entête CVC de la fenêtre des Options de modélisation. Une fois cette fenêtre fermée, un nouveau noeud <Système CVC> apparaitra dans l'arborescence du Navigateur :

 

image64

 

Cliquez sur le noeud <Système CVC> pour accéder à l'écran d'édition CVC.

Contenu du CVC Détaillé

Comprendre les boucles CVC
Distribution d'air
Boucles générateur et condenseur
Comprendre les Groupes de zone CVC
Hiérarchie des Composants CVC et Navigation
Contrôle des système CVC - Gestionnaires de consigne
Autodimensionnement des composants CVC
Utilisation des Boucles et Groupes de Zone (Niveau Système CVC)
Utilisation des Sous-boucles (Niveau Sous-boucle)
Utilisation des Groupes de Zone CVC Niveau Groupe de Zone )
Utilisation des Zones CVC (Niveau Zone CVC)
Utilisation des Composants (Niveau Composant)
Composants CVC

Terminologie CVC détaillé

Les points suivants pour le CVC détaillé peuvent vous aider pour vous référer à la documentation :

Le mot "air soufflé" fait référence à l'air qui est soufflé dans la zone. Par exemple "le débit d'air soufflé est le débit d'air fourni à la zone. Ce n'est pas nécessairement le débit d'air neuf soufflé dans la zone.